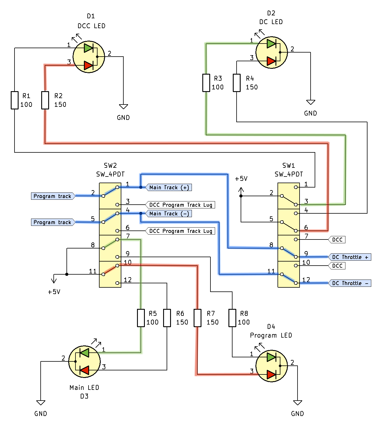
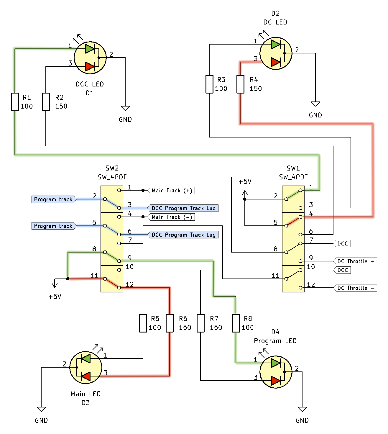
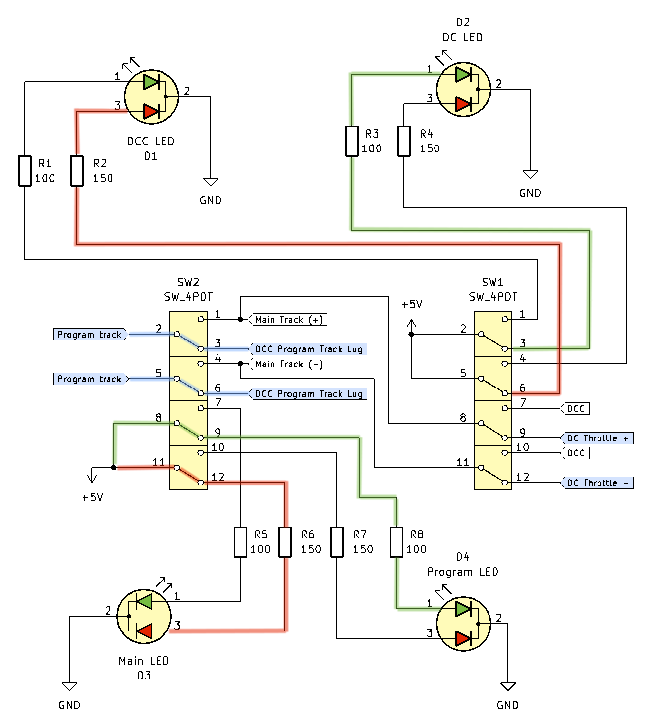
This originally started out as a single 4PDT switch to switch between the Main Track and a dedicated Program Track. I then added a choice between DCC and DC power using an additional 4PDT switch. Finally I realized I could used the components from the DC throttle and the AC accessories to make a really “cool” panel. So far I have been gathering all the bits and bobs for the project. This is beyond simply switching to a program track but just me having a great time adding more “stuff”. Example … my intent at firs was to power the LEDs using a spare 5.1V “wall wart” that I had but then realized that I had accessory terminals on the old Railpower 1370 DC controller which lead to me having to convert the 19VAC to 12VDC .. and then from 12V to 5V. I am using this website more as a virtual notepad to keep track of what I am doing.
