This originally started out as a single 4PDT switch to switch between the Main Track and a dedicated Program Track. I then added a choice between DCC and DC power using an additional 4PDT switch. Finally I realized I could used the components from the DC throttle and the AC accessories to make a really “cool” panel.
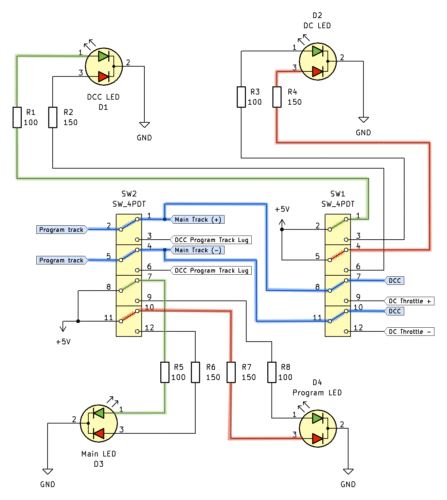
The schematic for selecting DCC or DC and Main or Program track.
- DCC LED – When DCC is selected turns green .. the DC LED turns red
- DC LED – When DC is selected turns green .. the DCC LED turns red
- Main LED – when Main is selected this turns green .. the Program track LED turns red
- Program LED – when Program track is selected turns green .. the Main track LED turns red
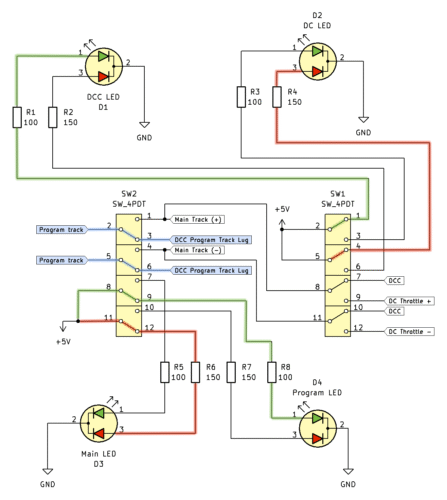
SW1 is thrown to DCC. DCC green and the DC red LEDs are lit.
SW2 is thrown to Main which sends current to both Main and Program tracks. The Main LED is green and Program is red.
SW1 is thrown to DCC. DCC green and the DC red LEDs are lit.
SW2 is thrown to Program. The Program LED is green and the Main LED is red.
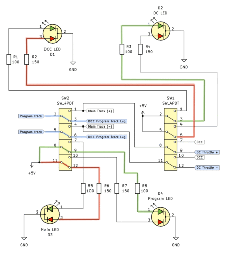
SW1 is thrown to DC. DC green and DCC red LEDs are lit.
SW2 is thrown to Main and DC current is sent to both Main and Program tracks. The Main LED is green and Program is red.
SW1 is thrown to DC. DC green and DCC red LEDs are lit.
SW2 is thrown to Program. This is the same as DCC Program. The Main LED is green and Program is red.
Problem: This just receives program data from the DCC base station. What I WANT is to supply DC to the program track. I suspect some transistor circuity might work.




